background image

HALscan X20/N20

XY3-100/NX-02 Scanheads

Users Manual

© 2020-2026 by HALaser Systems GmbH

1

background image

Table Of Contents

1 Copyright..........................................................................................................................................................................................................3
2 History...............................................................................................................................................................................................................4
3 Safety.................................................................................................................................................................................................................5

3.1 Transport and Storage.......................................................................................................................................................................6

4 Overview..........................................................................................................................................................................................................7

4.1 Type Code...............................................................................................................................................................................................7

5 Features and Technical Data....................................................................................................................................................................8
6 Functional Description............................................................................................................................................................................10
7 Electrical Connection...............................................................................................................................................................................11

7.1 HALscan X20 XY3-100 Interface...............................................................................................................................................11
7.2 HALscan N20 NX-02 Interface...................................................................................................................................................12

8 Initial Operation.........................................................................................................................................................................................13
9 Mechanical Specifications HALscan 10.20/10N20.....................................................................................................................14
10 Mechanical Specifications HALscan 16.20/16N20..................................................................................................................15
11 Mechanical Specifications HALscan 20.20/20N20..................................................................................................................16
12 Mechanical Specifications HALscan 30.20/30N20..................................................................................................................17

2

background image

1 Copyright

This document is © by HALaser Systems. This document and the described hardware is subject to 
modifications. Errors expected. This document is subject to change without prior notice. The given technical 
data base on specifications of the vendor of components or parts of the hardware. Tolerances are to be 
expected. Duplication of this manual in whole or in part or reproduction by any means are forbidden without 
the prior, written consent of HALaser Systems. 

HALscan scanheads, their hardware and design are copyright by HALaser Systems.

3

background image

2 History

Date

Changes in document

06/2024

Description of lens ring clarified

12/2023

Pinout for HALscan N20 added

08/2023

Type label description extended

02/2023

Non-ambiguous naming scheme introduced

02/2023

Power values adjusted

12/2022

Description of HALscan 20X20 and HALscan 30X20 added

12/2022

Technical data clarified

11/2022

Description of HALscan 16X20 added

07/2022

Added missing backchannel-description in pinout

07/2021

Naming scheme explanation added

06/2021

XY3-100 certified logo added

10/2020

Resolution value in technical data corrected

08/2020

Added description of supported XY3-100 commands

08/2020

Power supply specifications updated and clarified

07/2020

Initial version

4

background image

3 Safety

The hardware described within this document is designed to control a laser scanner system. Laser radiation 
may effect a person's health or may otherwise cause damage. Prior to installation and operation compliance 
with all relevant safety regulations including additional hardware-controlled safety measures has to be 
secured. The client shall solely be responsible to strictly comply with all applicable and relevant safety 
regulations regarding installation and operation of the system at any time.

Beside of that some laser equipment can be damaged in case it is controlled with wrong signals or signals 
outside a given specification. Thus it is highly recommended to check the output generated by this hardware 
using e.g. an oscilloscope to avoid problems caused by wrong configurations. This should be done prior to 
putting a system into operation for the first time, whenever some parameters have been changed or whenever 
any kind of software update was installed.

The hardware described here is shipped without any cover and without prefabricated equipment for electric 
installation. It is intended to be integrated in machines or other equipment. It is not a device for use "as is", but a 
component which is intended to be used as part of a larger device, e.g. for integration in a machine with own 
housing. Prior to operation compliance with all relevant electric / electromagnetic safety regulations including 
additional hardware-controlled safety measures has to be secured. The client shall solely be responsible to 
strictly comply with all applicable and relevant regulations regarding installation and operation of the system at 
any time.

The EMC Directive (2014/30/EU) does not apply to this hardware as it is not intended for an end user (a person 
without knowledge of EMC) and as it is not otherwise made available on the market.

The Low Voltage Directive (2014/35/EU) does not apply to this hardware as the voltage supply is below the 
50V AC / 75V DC limit.

This hardware is considered partly completed machinery in accordance with the EU Machinery Directive 
(2006/42/EC). It cannot operate independently and is intended to be integrated into a larger machine or 
system. The final integrator is responsible for ensuring that the complete machine or system complies with all 
applicable safety and regulatory requirements in the intended market (such as CE- certification).

The scanhead described here is designed to deflect an input laser beam and output it again. It can't block or 
weaken the laser beam. To prevent unwanted emission of the laser beam, above a particular danger class the 
laser device must be fitted with a shutter or any other suitable device. This laser device must be of sufficient 
quality so that the laser beam can only be emitted at the beam output on the deflection unit. Proper warning 
signs have to be attached at the machine or device where this scanhead is used to clearly inform any user about 
all possible dangerous operations.

The surfaces of the scanheads mirrors are extremely sensitive and should not be touched in any way and may 
only be cleaned by experienced personnel. Thus we strongly recommend sending the deflection unit in to 
HALaser Systems for the mirrors to be cleaned, as opening of the scanhead by unauthorized personnel voids 
the warranty.

To improve the optical properties of the mirrors, lenses or protection glasses, different material are applied as 
coatings. Some of them may be potentially hazardous to health if inhaled or swallowed. Under normal 
circumstances, no special precautions are necessary when handling or storing mirrors, lenses or protection 
glasses with such specific coatings.
In case of damage to such a component and/or coating, follow these instructions:

switch off the laser immediately

avoid inhaling dust of possibly broken or burned components

leave the room for at least 30 minutes

wear gloves and a mouth protector while performing all the subsequent steps

pack the optical elements in an airtight sealed plastic container, in case of fragments carefully collect up 
all fragments

clean all contaminated components and surfaces with a damp cloth and pack the cleaning cloths in a 
sealed plastic container too

ensure professional disposal of the container

5

background image

Please note: these general instructions are relevant only in case special coatings are used on any of the optical 
components. This includes also third party components which may be operated together with the HALscan 
scanhead (like F-Theta lenses or protection glasses). For detailed information about the used coatings, their 
dangerousness and for specific handling instructions in case of normal operation or damages, please contact 
the supplier of the related components.

3.1 Transport and Storage

During transport or storage at least the optical in- and outputs should be covered to protect the mirrors and 
galvos from dust and humidity. Furthermore there should be no larger vibrations and it has to be ensured 
nobody and nothing can touch the mirrors or the galvos. Corrosive and/or wet and or condensing environments 
should be avoided in general not only during transport and storage but also during operation.

6

background image

4 Overview

This document describes the HALscan scanheads, their characteristics and usage. 

These scanheads are components according to Low Voltage Directive (LVD) 2006/95/EC of the European 
Union and related domestic directives, thus they will be used as part of a laser scanning system which itself can 
be part of a machine.

This document contains important information on qualified and safe handling of HALscan scanheads. Therefore 
you should familiarize yourself with the content of this manual before using such a scanhead for the first time. 
Furthermore this manual must be accessible to anyone who will be involved in developing, installing or using a 
laser device featuring a HALscan scanhead. When a scanhead is sold on, this operating manual or an authorized 
copy must be passed on with it.

4.1 Type Code

Scanheads of type “HALscan” make use of a defined name scheme which can be interpreted as follows:

HALscan aaIrr

HALscan

 – the general name of the scanhead

aa

 – aperture size in mm

I

 – interface to scanner controller card:

 

.

” or “

X

” – XY3-100 interface

 “

N

” – NX-02 interface

rr

 – digital resolution of the input, optional, can be dropped together with the generic placeholder

7

background image

5 Features and Technical Data

HALscan scanheads offers the following interfaces, functions and features:

1. XY3-100 data interface and power connector
2. Beam entrance
3. lens ring (can be removed, for screw thread size please refer to table below)
4. M5 laser and head mounting screw holes

Model

HALscan 10.20 / 

HALscan 10X20

HALscan 16.20 / 

HALscan 16X20

HALscan 20.20 / 

HALscan 20X20

HALscan 30.20 / 

HALscan 30X20

Interface

two-channel XY3-100 (2D)

Model

HALscan 10N20

HALscan 16N20

HALscan 20N20

HALscan 30N20

Interface

Two-channel NX-02 (2D)

Digital resolution / 
accuracy

20 bits 

1)

Power supply 
requirements

+-15 V / 2 A

+-15 V / 3 A

Idle power 
consumption (no 
galvo movements)

< 7 W

< 10 W

Mirror size

10 mm

16 mm

20 mm

30 mm

Maximum Laser 
Power

50 W 

2) 

/ 90 W 

2) 3)

250 W @ 10600 nm 
(CO

2

)

500 W @ 1064 nm 

2)

1500 W @ 1064 nm 
CW 

2)

400 W @ 10600 
nm (CO

2

)

2 kW @ 1064 nm 

2)

500 W @ 10600 
nm (CO

2

)

4 kW @ 1064 nm 

2)

Screw thread for 
optics

M 79 x1 (M 85 x1 
with included lens 
ring)

M 85 x1

M 95 x1

Positioning speed

>7 m/sec

>5 m/sec

>4 m/sec

Marking speed

up to 3,5 m/sec

> 2,8 m/sec

> 2,2 m/sec

> 2 m/sec

Precision writing

650 cps 

4)

450 cps 

4)

320 

4)

260 

4)

Resolution

1 µrad

1,1 µrad

1,15 µrad

1,15 µrad

Total scanning 
angle

40 degrees

Scanner Lag 
(Tracking error)

0,18 msec

0,26 msec

0,32 msec

0,58 msec

1% step response 

0,36 msec

8

background image

setting to 0,1% fs
Scale drift

<80 ppm/°C

<=100 ppm/°C

Zero drift

<50 µrad/°C

Long term drift

<0.3 mrad

Weight

1,7 kg (with lens 
ring)

3,3 kg (with lens 
ring)

4,2 kg

4,5 kg

Ambient 
temperature

25 °C +- 10 °C 

3)

Cooling

Air (passive)

Air (passive), optionally water 

1) 

to gain full 20 bits accuracy at the output, marking speeds and in-polygon-delay need to be adjusted properly

2)

 at 1064 nm, requires precise central justification of the laser and utilisation of full available mirror surface; 

customer has to take care the laser does not hit the mounting points of the mirrors, this would lead to
damage of the scanhead together with a loss of any kind of warranty. Depending on used pulses and 
frequency additional cooling of the head may be necessary also when operated under recommended 
temperature conditions.

3)

 requires specific, high-power mirrors.

4)

 unit cps / characters per second describes the number of average characters that can be marked without 

distortions within one second when using a single-line font and characters with a height of 1 mm (height in case 
of a F160 lens at nominal working area size)

Water cooling (if available): 

Pressure: 10 kPa

Flow: 2,5 l/min

Outer tube diameter: 6 mm

Refrigerant: distilled water

9

background image

6 Functional Description

A HALscan scanhead can be used to deflect a laser beam in X and Y direction. This results in an area within 
which a laser can be moved to any position. This area is known as "marking field". This operation is performed by 
two mirrors, each of which is moved by a galvanometer scanner. The scanhead itself provides a beam input, into 
which the laser beam is fed, and a beam output, through which the laser beam is emitted from the unit after 
deflection. Only suitable lasers have to be fed into the beam input. Depending on some additional equipment 
and the working environment, the beam output is either open or fitted with an F-Theta lens or protection glass.

Comparing to other scanheads, the HALscan can be operated in a way where it shows a nearly linear behaviour 
(see “auto calibration” option below). This means, in this operation mode, there exists no nameable pillow 
distortion caused by the mechanical structure of the scanhead and the geometries of the mirrors. Thus for 
many applications no correction table is needed. This is true as long as no F-Theta lens

1)

 is used. Independent 

from that, the user is still free to make use of correction files in order to get specific shapes of the output or to 
gain an additional level of accuracy for special applications.

The X20 HALscan scanheads support the following XY3-100 features and commands:

24 bit XY3-100 raw frames with included 20 bit position data

auto-calibration (

XY3_CMD_AUTOCALIB_ON

/

XY3_CMD_AUTOCALIB_OFF

); this function is disabled 

by default and adjusts the received position data permanently to have a linear behaviour of the 
scanhead

temperature compensation (

XY3_CMD_TEMPCOMP_ON

/

XY3_CMD_TEMPCOMP_OFF

); this function is 

disabled by default, when this function is enabled, the internal temperature is measured and the 
temperature drift of the scanhead is adjusted permanently to stay as close to zero as possible

backchannel-data, permanent transfer of state information via F-/F+ pins

Please check the manual of the used scanner controller card about how these modes can be set/reset.

The N20 HALscan scanheads support all NX-02 features according to the NX-02 specification. For details 
please contact HALaser Systems GmbH.

1)

 An F-Theta lens is an optical component which is specially designed for use with 2-axis scanheads. It focuses 

the laser beam at optimum quality on any position in the marking field with a nearly constant beam length at all 
marking positions. Thus the desired marking field has to fit to an F-Theta lenses nominal size.

10

background image

7 Electrical Connection

7.1 HALscan X20 XY3-100 Interface

The HALscan X20 scanheads all are compatible with the industry standard XY3-100 data interface that is 
available on several industry-grade scanner controller cards (like E1803D controller). The pinout and voltage 
supply connections are shown below and require a male D-SUB25 connector:

1 – A-
2 – B-

3 – C-

4 – D-

6 – F-

9 - +15 V

10 - +15 V

11 – GND

12 - -15 V
13 - -15 V

14 – A+
15 – B+
16 – C+
17 – D+

19 – F+

22 - +15 V
23 – GND
24 - GND
25 - -15 V

The power supply needs to be a balanced +/- 15 V (+/- 0.5 V tolerance).
ATTENTION: When the scanhead is powered separately, power has to be fed into scanhead only but never into 
the connected controller card!

ATTENTION: During operation it has to be ensured the symmetric power with +15 V and –15 V is available all 
the time. Unplugging the D-SUB25 connector during operation or switching off one of both power lines for a 
longer time may damage electronics and – as follow up – the mirrors too.

11

background image

7.2 HALscan N20 NX-02 Interface

The HALscan N20 scanheads all are compatible with the NX-02 data interface that is available on several 
industry-grade scanner controller cards (like E1803D or E1702S controller). The pinout and voltage supply 
connections are shown below and require a male D-SUB25 connector:

1 – DATA-

5 – BACK-

9 - +15 V

10 - +15 V

11 – GND

12 - -15 V
13 - -15 V

14 – DATA+

17 – BACK+

22 - +15 V
23 – GND
24 - GND
25 - -15 V

The power supply needs to be a balanced +/- 15 V (+/- 0.5 V tolerance).
ATTENTION: When the scanhead is powered separately, power has to be fed into scanhead only but never into 
the connected controller card!

ATTENTION: During operation it has to be ensured the symmetric power with +15 V and –15 V is available all 
the time. Unplugging the D-SUB25 connector during operation or switching off one of both power lines for a 
longer time may damage electronics and – as follow up – the mirrors too.

12

background image

8 Initial Operation

Since the HALscan scanheads do not have a nameable startup-procedure, putting them into operation consists 
of a few steps only:

1. power up HALscan and if necessary the connected scanner controller card

2. wait a few seconds until scanner is initialised

3. start sending data from the scanner controller card to the HALscan scanhead

For security reasons it is recommended to not to send any data to the HALscan head while it is still turned off, 
causing a situation where it may start up in the middle of an already running data transmission. This may lead to  
the first valid position command received is at an extreme and unexpected position. In such a situation, when it 
jumps to an extreme scanner position immediately, this may cause damage to the galvos and/or mirrors.

The same is true during operation: when the connection has been interrupted (e.g. because the DB25 
connector cable was removed), it is not recommended to simply plug it back in, as this may lead to hard jumps to 
extreme positions too. In this case it is also recommended to power down the whole system and put it back into 
operation using the sequence as described above.

13

background image

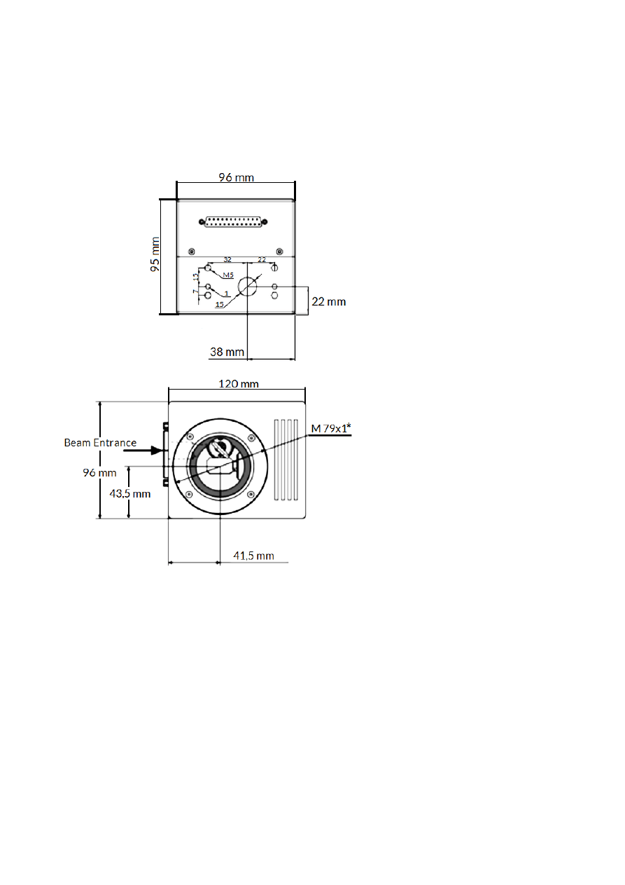
9 Mechanical Specifications HALscan 10.20/10N20

Dimensions:

W x H x D: 120 x 95 x 96 mm

Size (without lens ring)

W x H x D: 120 x 122 x 96 mm

Size (with lens ring)

Drawing Beam Entrance Side

Drawing Beam Exit Side

14

background image

10Mechanical Specifications HALscan 16.20/16N20

Dimensions:

W x H x D: 156 x 121 x 115 mm 

Size (without lens ring and without optional 
water cooling connection)

Drawing Beam Entrance Side

Drawing Beam Exit Side

15

background image

11Mechanical Specifications HALscan 20.20/20N20

Dimensions:

W x H x D: 169 x 148 x 120 mm

Size

Drawing Beam Entrance Side

Drawing Beam Exit Side

16

background image

12Mechanical Specifications HALscan 30.20/30N20

Dimensions:

W x H x D: 185 x 148 x 140 mm

Size

Drawing Beam Entrance Side

Drawing Beam Exit Side

17

background image

Alphabetical Index

2

20 bit position data.......................................................................................................................................................................................10
2D............................................................................................................................................................................................................................8

B

Backchannel.....................................................................................................................................................................................................10

C

Condensing.........................................................................................................................................................................................................6
Correction table.............................................................................................................................................................................................10
Corrosive..............................................................................................................................................................................................................6

D

Dimensions...................................................................................................................................................................................................14ff.
Distortion..........................................................................................................................................................................................................10
Dust........................................................................................................................................................................................................................6

E

E1702S...............................................................................................................................................................................................................12
E1803D............................................................................................................................................................................................................11f.

F

F-Theta...............................................................................................................................................................................................................10

H

Humidity...............................................................................................................................................................................................................6

L

Linear..................................................................................................................................................................................................................10

M

Maximum Laser Power...................................................................................................................................................................................8
Mirror size...........................................................................................................................................................................................................8

N

N20......................................................................................................................................................................................................................10
NX-02...................................................................................................................................................................................................7f., 10, 12

P

Power supply............................................................................................................................................................................................8, 11f.

R

Resolution............................................................................................................................................................................................................8

S

Scale drift.............................................................................................................................................................................................................9
Scanning angle...................................................................................................................................................................................................8

T

Temperature.......................................................................................................................................................................................................9

V

Vibrations.............................................................................................................................................................................................................6

W

Water cooling.....................................................................................................................................................................................................9
Weight...................................................................................................................................................................................................................9

X

X20.......................................................................................................................................................................................................................10
XY3_CMD_AUTOCALIB_OFF..................................................................................................................................................................10
XY3_CMD_AUTOCALIB_ON....................................................................................................................................................................10
XY3_CMD_TEMPCOMP_OFF.................................................................................................................................................................10
XY3_CMD_TEMPCOMP_ON...................................................................................................................................................................10

18

background image

XY3-100......................................................................................................................................................................................................7f., 11
XY3-100 features..........................................................................................................................................................................................10

Z

Zero drift..............................................................................................................................................................................................................9

19